
标准号GB 8820-1988状态
发布于:1988-02-25
实施于:1988-08-01
标准状态:废止
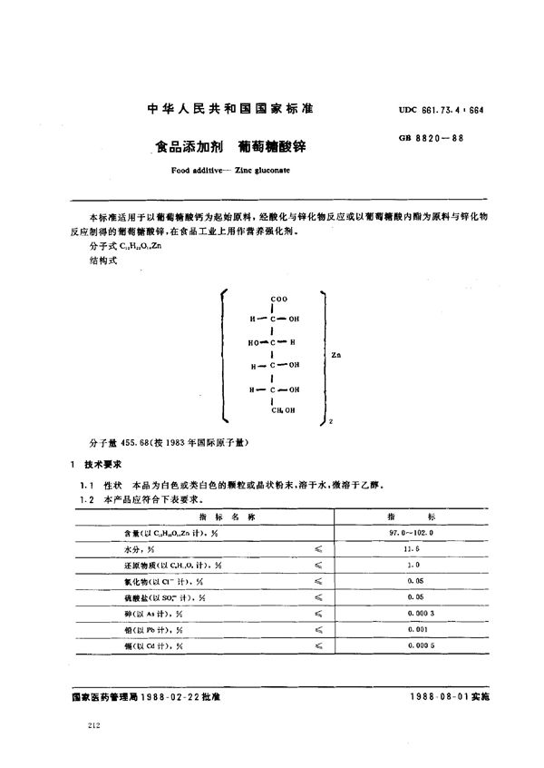
食品添加剂 葡萄糖酸锌基本信息
标准号:GB 8820-1988
废止日期:2015-12-22
中国标准分类号:X42
国际标准分类号: 67.220.20 67 食品技术 67.220 香料和调料、食品添加剂 67.220.20 食品添加剂
归口单位:全国食品添加剂标准化技术委员会
执行单位:全国食品添加剂标准化技术委员会
主管部门:国家标准化管理委员会
国家标准《食品添加剂 葡萄糖酸锌》由TC11(全国食品添加剂标准化技术委员会)归口上报及执行,主管部门为国家标准化管理委员会。