
标准号GB/T 962-1988状态
发布于:1988-12-22
实施于:1989-07-01
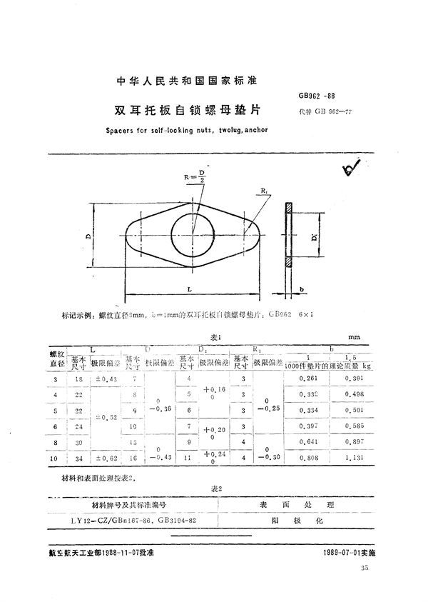
双耳托板自锁螺母垫片基本信息
标准号:GB/T 962-1988
全部代替标准:GB 962-1977
中国标准分类号:J13
国际标准分类号: 21.060.30 21 机械系统和通用件 21.060 紧固件 21.060.30 垫圈、锁紧件
归口单位:全国紧固件标准化技术委员会
执行单位:全国紧固件标准化技术委员会
主管部门:中国机械工业联合会
国家标准《双耳托板自锁螺母垫片》由TC85(全国紧固件标准化技术委员会)归口上报及执行,主管部门为中国机械工业联合会。