
标准号GB 7657-1987状态
发布于:1987-04-14
实施于:1987-12-01
标准状态:废止
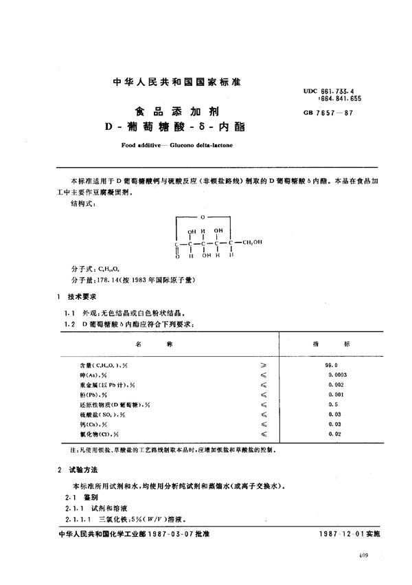
食品添加剂 D葡萄糖酸δ内酯基本信息
标准号:GB 7657-1987
废止日期:2005-12-01
中国标准分类号:X41
国际标准分类号: 67.220.20 67 食品技术 67.220 香料和调料、食品添加剂 67.220.20 食品添加剂
归口单位:中国石油和化学工业联合会
执行单位:中国石油和化学工业联合会
国家标准《食品添加剂 D葡萄糖酸δ内酯》由606(中国石油和化学工业联合会)归口上报及执行。