
标准号GB/T 9207-1988状态
发布于:1988-05-27
实施于:1989-01-01
硬质合金圆柱形球头旋转锉基本信息
标准号:GB/T 9207-1988
被代替日期:2005-12-01
中国标准分类号:J41
国际标准分类号: 25.100.60 25 机械制造 25.100 切削工具 25.100.60 锉刀
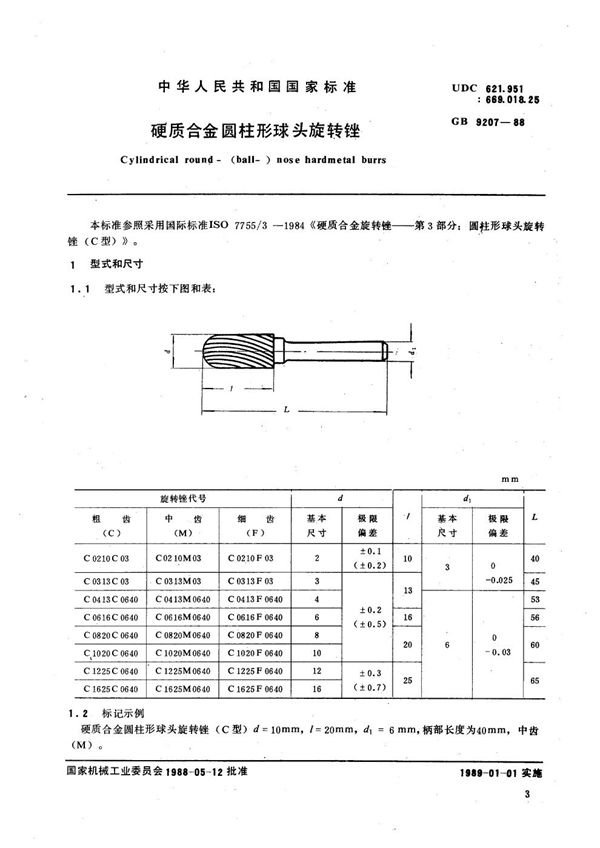
国家标准《硬质合金圆柱形球头旋转锉》。

标准号GB/T 9207-1988状态
发布于:1988-05-27
实施于:1989-01-01
硬质合金圆柱形球头旋转锉基本信息
标准号:GB/T 9207-1988
被代替日期:2005-12-01
中国标准分类号:J41
国际标准分类号: 25.100.60 25 机械制造 25.100 切削工具 25.100.60 锉刀
国家标准《硬质合金圆柱形球头旋转锉》。
声明:资源收集自网络或用户分享,仅供学习参考,使用请以正式版为准;如侵犯您的权益,请联系我们处理。
不能下载?资源帮助服务