
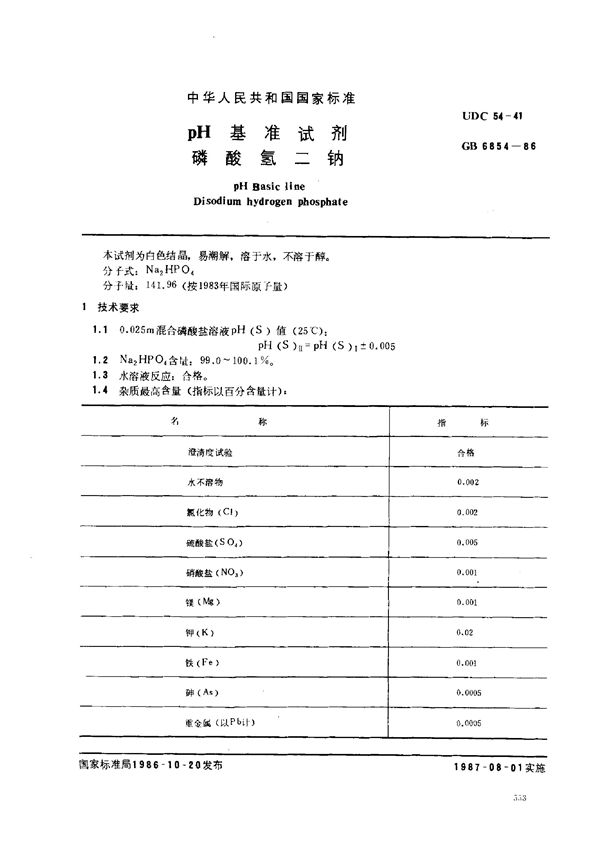
标准号GB 6854-1986状态
发布于:1986-09-06
实施于:1987-08-01
标准状态:废止
pH 基准试剂 磷酸氢二钠基本信息
标准号:GB 6854-1986
废止日期:2009-07-31
中国标准分类号:G61
国际标准分类号: 71.040.30 71 化工技术 71.040 分析化学 71.040.30 化学试剂
归口单位:全国化学标准化技术委员会
执行单位:全国化学标准化技术委员会
主管部门:中国石油和化学工业联合会
国家标准《pH 基准试剂 磷酸氢二钠》由TC63(全国化学标准化技术委员会)归口上报及执行,主管部门为中国石油和化学工业联合会。