
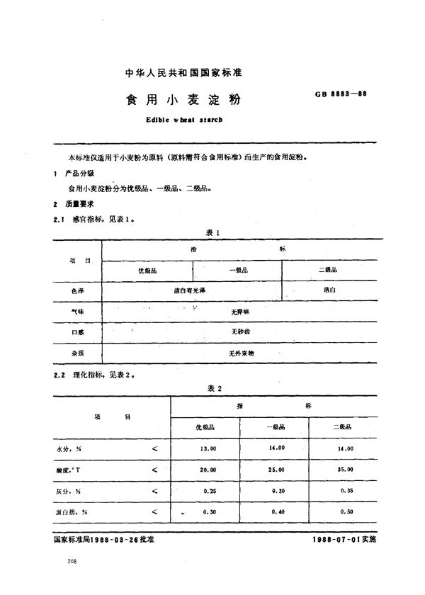
标准号GB/T 8883-1988状态
发布于:1988-02-29
实施于:1988-07-01
食用小麦淀粉基本信息
标准号:GB/T 8883-1988
被代替日期:2009-03-01
中国标准分类号:X11
国际标准分类号: 67.060 67 食品技术 67.060 谷物、豆类及其制品
归口单位:全国食品工业标准化技术委员会
执行单位:全国食品工业标准化技术委员会
主管部门:国家标准化管理委员会
国家标准《食用小麦淀粉》由TC64(全国食品工业标准化技术委员会)归口上报及执行,主管部门为国家标准化管理委员会。