
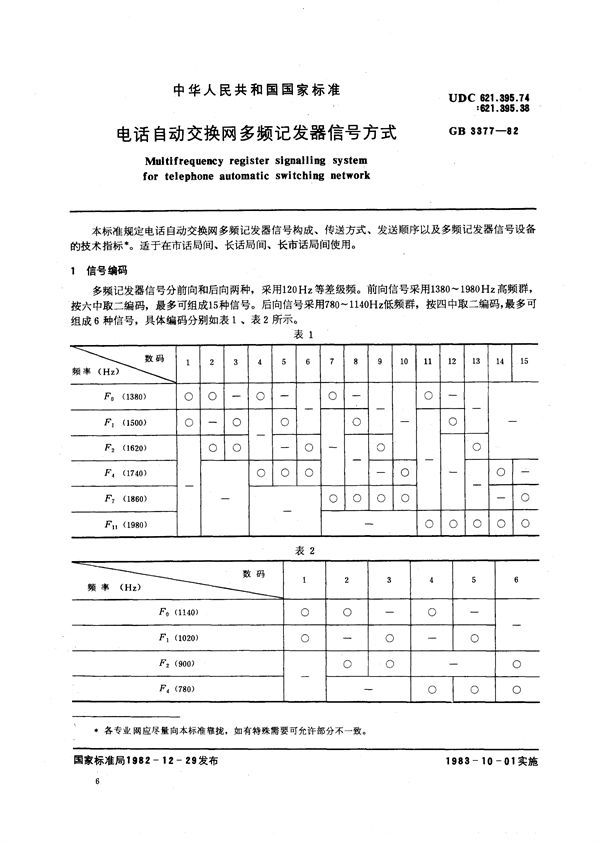
标准号GB/T 3377-1982状态
发布于:1982-12-29
实施于:1983-10-01
电话自动交换网多频记发器信号方式基本信息
标准号:GB/T 3377-1982
中国标准分类号:M12
国际标准分类号: 33.040.30 33 电信、音频和视频工程 33.040 电信系统 33.040.30 交换和信令系统
归口单位:工业和信息化部(通信)
执行单位:工业和信息化部(通信)
主管部门:工业和信息化部(通信)
国家标准《电话自动交换网多频记发器信号方式》由339-2(工业和信息化部(通信))归口上报及执行,主管部门为工业和信息化部(通信)。