
标准号GB/T 3289.5-1982状态
发布时间:none
实施时间:none
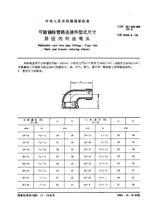
可锻铸铁管路连接件型式尺寸 异径内外丝弯头 Malleable cast iron pipe fittings--Type size--Male and female基本信息
标准号:GB/T 3289.5-1982
标准名称:可锻铸铁管路连接件型式尺寸 异径内外丝弯头 Malleable cast iron pipe fittings--Type size--Male and female
下载格式:PDF
标准大小:73.68 KB
可锻铸铁管路连接件型式尺寸 异径内外丝弯头 Malleable cast iron pipe fittings--Type size--Male and female (GB/T 3289.5-1982)