当前位置:规范网标准国家标准内容详情

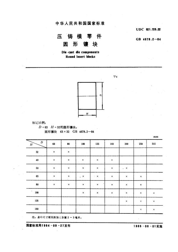
压铸模零件 圆形镶块 (GB 4678.2-1984)

下载
免费下载 GB 4678.2-1984

压铸模零件 圆形镶块 (GB 4678.2-1984)

标准号GB 4678.2-1984状态

发布时间:none

实施时间:none

压铸模零件 圆形镶块基本信息

标准号:GB 4678.2-1984

标准名称:压铸模零件 圆形镶块

下载格式:PDF

标准大小:24.13 KB

压铸模零件 圆形镶块 (GB 4678.2-1984)

声明:资源收集自网络或用户分享,仅供学习参考,使用请以正式版为准;如侵犯您的权益,请联系我们处理。

不能下载?报告错误