当前位置:规范网标准国家标准内容详情

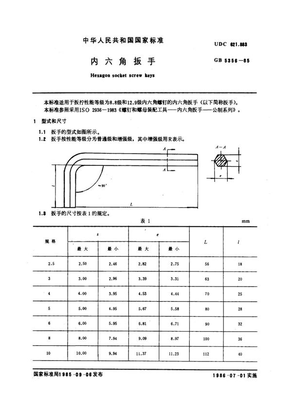
内六角扳手 (GB 5356-1985)

下载
免费下载 GB 5356-1985

内六角扳手 (GB 5356-1985)

标准号GB 5356-1985状态

发布时间:none

实施时间:none

内六角扳手基本信息

标准号:GB 5356-1985

标准名称:内六角扳手

下载格式:PDF

标准大小:139.46 KB

内六角扳手 (GB 5356-1985)

声明:资源收集自网络或用户分享,仅供学习参考,使用请以正式版为准;如侵犯您的权益,请联系我们处理。

不能下载?报告错误