
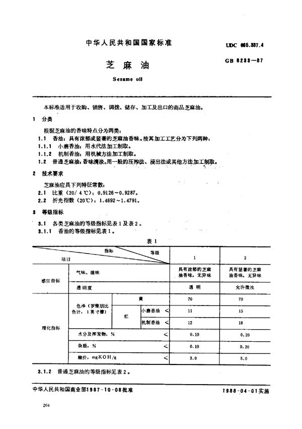
标准号GB/T 8233-1987状态
发布于:1987-10-08
实施于:1988-04-01
芝麻油基本信息
标准号:GB/T 8233-1987
被代替日期:2009-01-01
中国标准分类号:X14
国际标准分类号: 67.200.10 67 食品技术 67.200 食用油和脂肪、含油种子 67.200.10 动物和植物的脂肪和油
归口单位:全国粮油标准化技术委员会
执行单位:全国粮油标准化技术委员会
主管部门:国家粮食和物资储备局
国家标准《芝麻油》由TC270(全国粮油标准化技术委员会)归口上报及执行,主管部门为国家粮食和物资储备局。