
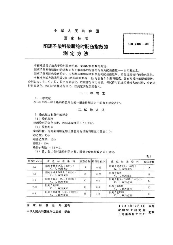
标准号GB/T 2400-1980状态
发布于:1980-12-31
实施于:1981-10-01
阳离子染料染腈纶时配伍指数的测定方法基本信息
标准号:GB/T 2400-1980
被代替日期:2007-01-02
中国标准分类号:G55
国际标准分类号: 87.060.10 87 涂料和颜料工业 87.060 涂料配料 87.060.10 颜料和填充剂
归口单位:全国染料标准化技术委员会
执行单位:全国染料标准化技术委员会
主管部门:中国石油和化学工业联合会
国家标准《阳离子染料染腈纶时配伍指数的测定方法》由TC134(全国染料标准化技术委员会)归口上报及执行,主管部门为中国石油和化学工业联合会。