当前位置:规范网标准行业标准内容详情

不锈钢器皿 检验规则 (QB/T 1622.3-1992)

下载
免费下载 QB/T 1622.3-1992

不锈钢器皿 检验规则 (QB/T 1622.3-1992)

标准号QB/T 1622.3-1992状态

发布于:1992-11-10

实施于:1993-07-01

不锈钢器皿 检验规则

标准号:QB/T 1622.3-1992

中国标准分类号:Y73

国际标准分类号:None

批准发布部门:轻工业部

行业分类:无

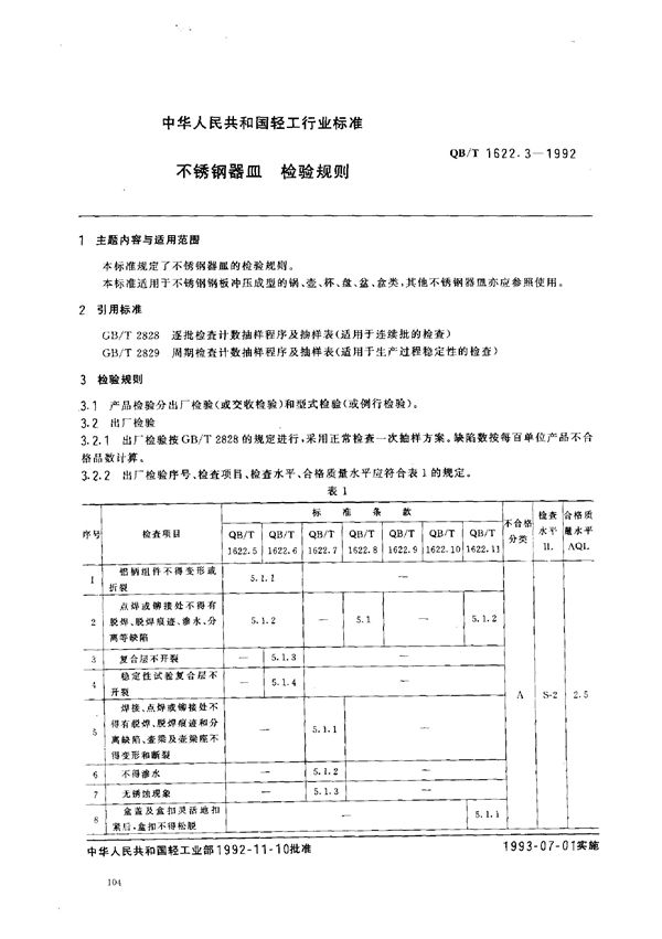
本标准规定了不锈钢器皿的检验规则。 本标准适用于不锈钢钢板冲压成型的锅、壶、杯、盘、盆、盒类、其他不锈钢器皿亦应参照使用。

声明:资源收集自网络或用户分享,仅供学习参考,使用请以正式版为准;如侵犯您的权益,请联系我们处理。

不能下载?报告错误