当前位置:规范网标准行业标准内容详情

莫氏锥柄工具用夹持器 尺寸 (JB/T 3411.12-1999)

下载
免费下载 JB/T 3411.12-1999

莫氏锥柄工具用夹持器 尺寸 (JB/T 3411.12-1999)

标准号JB/T 3411.12-1999状态

发布于:1999-05-20

实施于:2000-01-01

莫氏锥柄工具用夹持器 尺寸

标准号:JB/T 3411.12-1999

中国标准分类号:J52

国际标准分类号:25.080.01

批准发布部门:国家机械工业局

行业分类:无

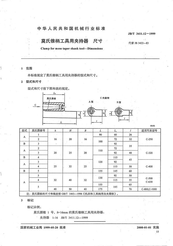
u3000u3000本标准规定了莫氏锥柄工具用夹持器的型式和尺寸。

声明:资源收集自网络或用户分享,仅供学习参考,使用请以正式版为准;如侵犯您的权益,请联系我们处理。

不能下载?报告错误