
标准号CB/T 3667.3-1995状态
发布于:1995-12-19
实施于:1996-08-01
船舶电缆敷设和电气设备安装附件 接地件
标准号:CB/T 3667.3-1995
中国标准分类号:U69
国际标准分类号:47.020.60
批准发布部门:中国船舶工业总公司
行业分类:无
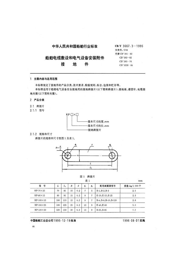
本标准规定了接地件的产品分类、技术要求、检验规则、标志、包装和贮存等。 本标准适用于船舶电气设备安全接地用的接地跨接片、接地板、避雷针、电缆接地夹箍。

发布于:1995-12-19
实施于:1996-08-01
标准号:CB/T 3667.3-1995
中国标准分类号:U69
国际标准分类号:47.020.60
批准发布部门:中国船舶工业总公司
行业分类:无
本标准规定了接地件的产品分类、技术要求、检验规则、标志、包装和贮存等。 本标准适用于船舶电气设备安全接地用的接地跨接片、接地板、避雷针、电缆接地夹箍。
声明:资源收集自网络或用户分享,仅供学习参考,使用请以正式版为准;如侵犯您的权益,请联系我们处理。
不能下载?报告错误