
标准号JB/T 9426.7-1999状态
发布于:1999-08-06
实施于:2000-01-01
16mm电影摄影物镜 C型螺纹物镜座
标准号:JB/T 9426.7-1999
中国标准分类号:N43
国际标准分类号:None
批准发布部门:国家机械工业局
行业分类:无
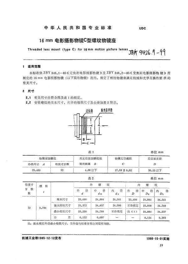
本标准适用于ZBY 346.1-85《定焦距电影摄影物镜》及ZBY 346.2-85《变焦距电影摄影物镜》所规定的16mm电影摄影物镜(以下简称物镜)选用。规定了螺纹物镜座满足机械和光学互换性要求的有关尺寸。

发布于:1999-08-06
实施于:2000-01-01
标准号:JB/T 9426.7-1999
中国标准分类号:N43
国际标准分类号:None
批准发布部门:国家机械工业局
行业分类:无
本标准适用于ZBY 346.1-85《定焦距电影摄影物镜》及ZBY 346.2-85《变焦距电影摄影物镜》所规定的16mm电影摄影物镜(以下简称物镜)选用。规定了螺纹物镜座满足机械和光学互换性要求的有关尺寸。
声明:资源收集自网络或用户分享,仅供学习参考,使用请以正式版为准;如侵犯您的权益,请联系我们处理。
不能下载?报告错误