
标准号JB/T 9413-1999状态
发布于:1999-08-06
实施于:2000-01-01
16mm,32/16mm电影光学声底片音迹的位置和尺寸
标准号:JB/T 9413-1999
中国标准分类号:N41
国际标准分类号:None
批准发布部门:国家机械工业局
行业分类:无
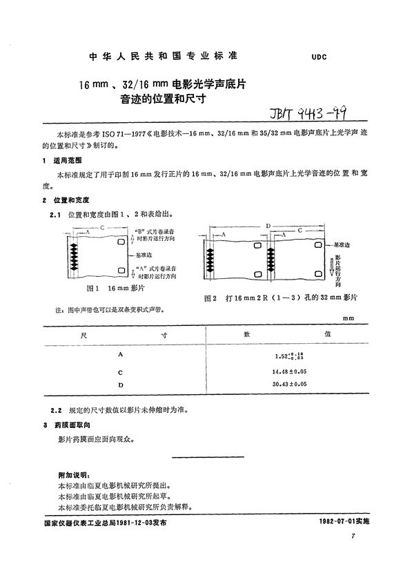
本标准规定了用于印制16mm发行正片的16mm、32/16mm电影声底片上的光学音迹的位置和宽度。

发布于:1999-08-06
实施于:2000-01-01
标准号:JB/T 9413-1999
中国标准分类号:N41
国际标准分类号:None
批准发布部门:国家机械工业局
行业分类:无
本标准规定了用于印制16mm发行正片的16mm、32/16mm电影声底片上的光学音迹的位置和宽度。
声明:资源收集自网络或用户分享,仅供学习参考,使用请以正式版为准;如侵犯您的权益,请联系我们处理。
不能下载?报告错误