
标准号JB/T 6431-1992状态
发布于:1992-07-20
实施于:1993-01-01
容积式压缩机用灰铸铁件技术条件
标准号:JB/T 6431-1992
中国标准分类号:J72
国际标准分类号:23.140
批准发布部门:机械工业部
行业分类:无
本标准规定了容积式压缩机用灰铸铁件的技术要求、试验方法、检验规则和标志、包装、运输、贮存等要求。 本标准适用于在砂型中或导热性与砂型相当的铸模中铸造,石墨为片状的灰铸铁件。

发布于:1992-07-20
实施于:1993-01-01
标准号:JB/T 6431-1992
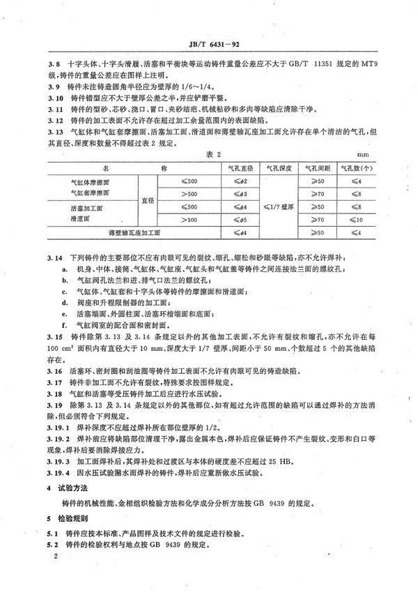
中国标准分类号:J72
国际标准分类号:23.140
批准发布部门:机械工业部
行业分类:无
本标准规定了容积式压缩机用灰铸铁件的技术要求、试验方法、检验规则和标志、包装、运输、贮存等要求。 本标准适用于在砂型中或导热性与砂型相当的铸模中铸造,石墨为片状的灰铸铁件。
声明:资源收集自网络或用户分享,仅供学习参考,使用请以正式版为准;如侵犯您的权益,请联系我们处理。
不能下载?报告错误