当前位置:规范网标准行业标准内容详情

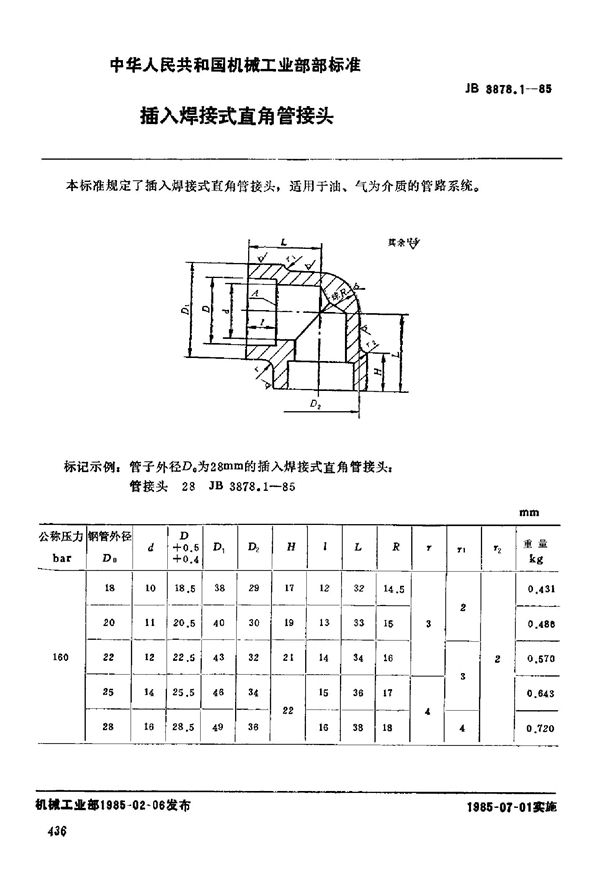
插入焊接式直角管接头 (JB/T 3878.1-1985)

下载
免费下载 JB/T 3878.1-1985

插入焊接式直角管接头 (JB/T 3878.1-1985)

标准号JB/T 3878.1-1985状态

发布于:1985-02-05

实施于:1992-07-01

插入焊接式直角管接头基本信息

标准号:JB/T 3878.1-1985

标准名称:插入焊接式直角管接头

声明:资源收集自网络或用户分享,仅供学习参考,使用请以正式版为准;如侵犯您的权益,请联系我们处理。

不能下载?报告错误