
标准号JB/T 5738-1991状态
发布于:91-10-04
实施于:92-07-01
木工机用长麻花钻基本信息
标准号:JB/T 5738-1991
标准名称:木工机用长麻花钻
英文名称:Long twist drill for woodworking machine
归口单位:福州木工机床所
起草单位:
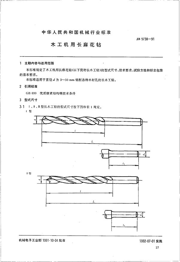
本标准规定了木工机用长麻花钻的型式尺寸、技术要求、试验方法和标志包装的基本要求。本标准适用于直径D为3~50MM钻削各种木材孔的长木工钻。

发布于:91-10-04
实施于:92-07-01
标准号:JB/T 5738-1991
标准名称:木工机用长麻花钻
英文名称:Long twist drill for woodworking machine
归口单位:福州木工机床所
起草单位:
本标准规定了木工机用长麻花钻的型式尺寸、技术要求、试验方法和标志包装的基本要求。本标准适用于直径D为3~50MM钻削各种木材孔的长木工钻。
声明:资源收集自网络或用户分享,仅供学习参考,使用请以正式版为准;如侵犯您的权益,请联系我们处理。
不能下载?报告错误