当前位置:规范网标准行业标准内容详情

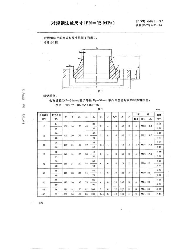
对焊钢法兰尺寸(PN=15MPa) (JB/ZQ 4463-1997)

下载
免费下载 JB/ZQ 4463-1997

对焊钢法兰尺寸(PN=15MPa) (JB/ZQ 4463-1997)

标准号JB/ZQ 4463-1997状态

发布于:

实施于:

对焊钢法兰尺寸(PN=15MPa)基本信息

标准号:JB/ZQ 4463-1997

标准名称:对焊钢法兰尺寸(PN=15MPa)

声明:资源收集自网络或用户分享,仅供学习参考,使用请以正式版为准;如侵犯您的权益,请联系我们处理。

不能下载?报告错误