规范网
更新
当前位置:
首页
标准
行业标准
内容详情
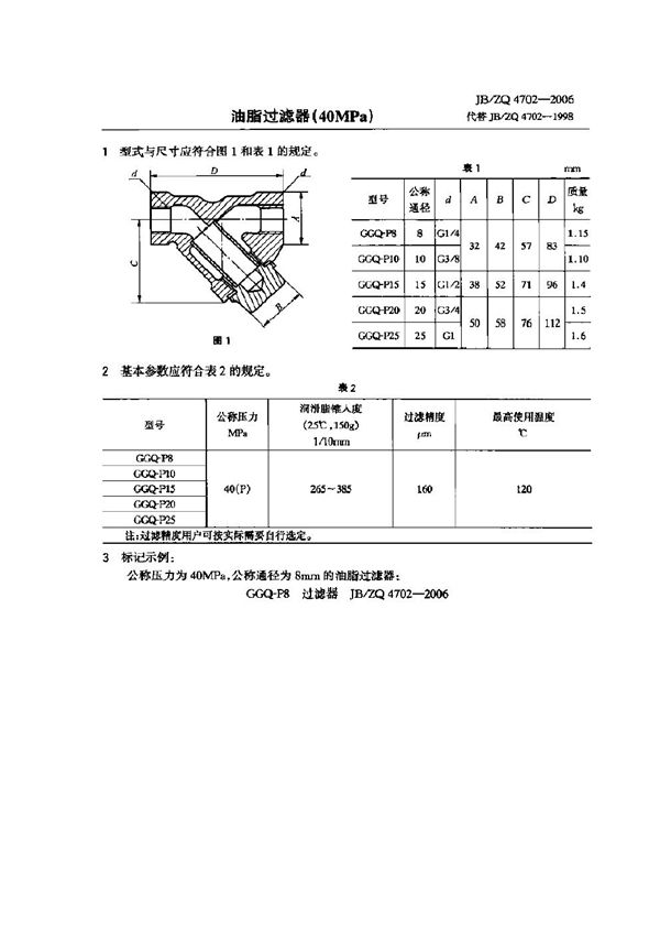
油脂过滤器(40MPa) (JB/ZQ 4702-2006)
下载
帮助
举报
收藏
上传文档
下载
预览图
用户名称:
Derek李贤光
注册时间:
2025-08-14
认证方式:
手机认证
标准号JB/ZQ 4702-2006状态
发布于:
实施于:
油脂过滤器(40MPa)基本信息
标准号:JB/ZQ 4702-2006
标准名称:油脂过滤器(40MPa)
收藏
下载
声明:本站为网络服务提供者及网络索引服务平台资源索引自网络/用户分享,如有版权问题,请
联系
站方删除。
不能下载?报告错误
下页:
塑料挤出干法热切造粒辅机 (JB/T 5416-2005)
相关推荐
油脂过滤器(40MPa) (JB/ZQ 4702-2006)
出口动植物油脂过氧化值检验方法 (SN/T 0801.3-2011)