规范网
更新
当前位置:
规范网
标准
行业标准
内容详情
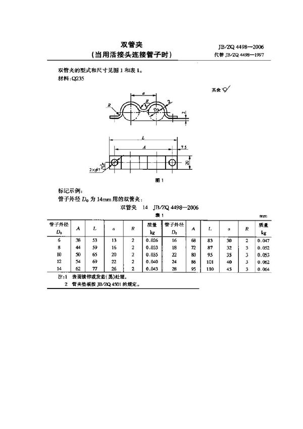
双管夹(当用活接头连接管子时) (JB/ZQ 4498-2006)
下载
免费下载 JB/ZQ 4498-2006
标准号JB/ZQ 4498-2006状态
发布于:
实施于:
双管夹(当用活接头连接管子时)基本信息
标准号:JB/ZQ 4498-2006
标准名称:双管夹(当用活接头连接管子时)
加入收藏
下载文件
声明:资源收集自网络或用户分享,仅供学习参考,使用请以正式版为准;如侵犯您的权益,请联系我们处理。
不能下载?报告错误
下页:
盘装工业过程测量和控制仪表尺寸及开孔尺寸 (JB/T 1402-1991)
相关推荐
一端固定式双管夹片 (QC/T 373-1999)
对称双管夹片 (QC/T 371-1999)
中间固定式双管夹片 (QC/T 374-1999)
双管夹螺孔垫板 (JB/ZQ 4500-1986)
双管夹 (JB/ZQ 4494-1986)