当前位置:规范网标准行业标准内容详情

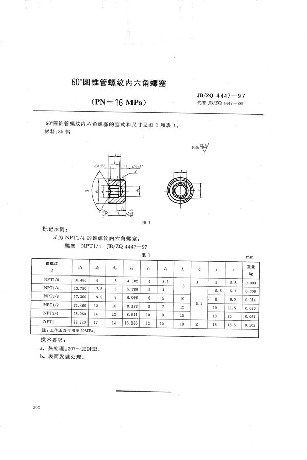
60°圆锥管螺纹内六角螺塞(PN=16MPa) (JB/ZQ 4447-1997)

下载
免费下载 JB/ZQ 4447-1997

60°圆锥管螺纹内六角螺塞(PN=16MPa) (JB/ZQ 4447-1997)

标准号JB/ZQ 4447-1997状态

发布于:

实施于:

60°圆锥管螺纹内六角螺塞(PN=16MPa)基本信息

标准号:JB/ZQ 4447-1997

标准名称:60°圆锥管螺纹内六角螺塞(PN=16MPa)

声明:资源收集自网络或用户分享,仅供学习参考,使用请以正式版为准;如侵犯您的权益,请联系我们处理。

不能下载?报告错误