当前位置:规范网标准行业标准内容详情

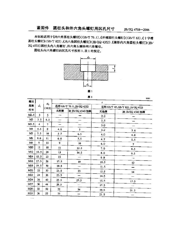
紧固件圆柱头和外六角头螺钉用沉孔尺寸 (JB/ZQ 4718-2006)

下载
免费下载 JB/ZQ 4718-2006

紧固件圆柱头和外六角头螺钉用沉孔尺寸 (JB/ZQ 4718-2006)

标准号JB/ZQ 4718-2006状态

发布于:

实施于:

紧固件圆柱头和外六角头螺钉用沉孔尺寸基本信息

标准号:JB/ZQ 4718-2006

标准名称:紧固件圆柱头和外六角头螺钉用沉孔尺寸

声明:资源收集自网络或用户分享,仅供学习参考,使用请以正式版为准;如侵犯您的权益,请联系我们处理。

不能下载?报告错误