规范网
更新
当前位置:
首页
标准
行业标准
内容详情
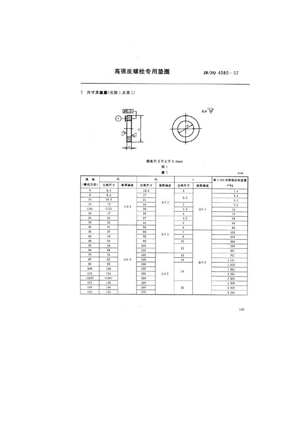
高强度螺栓专用垫圈 (JB/ZQ 4080-1997)
下载
帮助
举报
收藏
上传文档
下载
预览图
用户名称:
匡先生
注册时间:
2025-06-26
认证方式:
手机认证
标准号JB/ZQ 4080-1997状态
发布于:
实施于:
高强度螺栓专用垫圈基本信息
标准号:JB/ZQ 4080-1997
标准名称:高强度螺栓专用垫圈
收藏
下载
声明:本站为网络服务提供者及网络索引服务平台资源索引自网络/用户分享,如有版权问题,请
联系
站方删除。
不能下载?报告错误
下页:
滚动轴承 寿命及可靠性试验评定方法 (JB/T 50093-1997)
相关推荐
汽车单体铸造高强度合金铸铁活塞环 金相检验 (QC/T 1212-2024)
高强度高塑性球墨铸铁件 (T/CFA 020102062-2023)
结构用铌钒低合金高强度热轧型钢 (YB/T 6127-2023)
空间网格结构节点用双段高强度螺栓和螺母 (T/CSCS 054-2024)
高强度高弹性高导电率钛铜合金 (T/ZSA 271-2024)