当前位置:规范网标准行业标准内容详情

石墨管螺纹系列 (HG/T 3204-1981)

下载
免费下载 HG/T 3204-1981

石墨管螺纹系列 (HG/T 3204-1981)

标准号HG/T 3204-1981状态

发布于:1983-01-25

实施于:1983-03-01

石墨管螺纹系列基本信息

标准号:HG/T 3204-1981

标准名称:石墨管螺纹系列

发布部门:中华人民共和国化学工业部

起草单位:沈阳化工机械厂

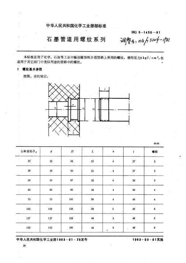
本标准适用于化学、石油等工业中输送腐蚀性介质管路上所用的螺纹,使用压力3kgf/cmsup2;,也适用于其它部门中类似用途的管路中的螺纹。

声明:资源收集自网络或用户分享,仅供学习参考,使用请以正式版为准;如侵犯您的权益,请联系我们处理。

不能下载?报告错误