当前位置:规范网标准行业标准内容详情

木工锯条 (QB/T 2094.1-1995)

下载
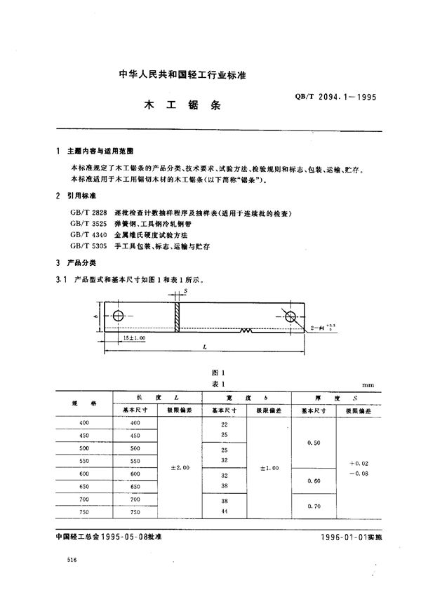
免费下载 QB/T 2094.1-1995

木工锯条 (QB/T 2094.1-1995)

标准号QB/T 2094.1-1995状态

发布于:

实施于:1996-1-1

木工锯条基本信息

标准号:QB/T 2094.1-1995

标准名称:木工锯条

发布部门:

起草单位:

声明:资源收集自网络或用户分享,仅供学习参考,使用请以正式版为准;如侵犯您的权益,请联系我们处理。

不能下载?报告错误