当前位置:规范网标准行业标准内容详情

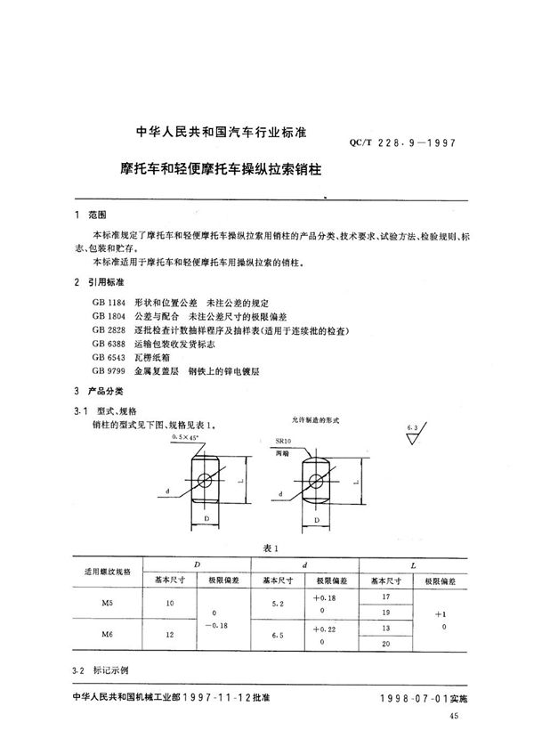
摩托车和轻便摩托车操纵拉索 销柱 (QC/T 228.9-1997)

下载
免费下载 QC/T 228.9-1997

摩托车和轻便摩托车操纵拉索 销柱 (QC/T 228.9-1997)

标准号QC/T 228.9-1997状态

发布于:1997-11-12

实施于:1998年7月1日

摩托车和轻便摩托车操纵拉索 销柱基本信息

标准号:QC/T 228.9-1997

标准名称:摩托车和轻便摩托车操纵拉索 销柱

发布部门:中国汽车工业总公司

起草单位:南昌飞机制造公司

声明:资源收集自网络或用户分享,仅供学习参考,使用请以正式版为准;如侵犯您的权益,请联系我们处理。

不能下载?报告错误