当前位置:规范网标准行业标准内容详情

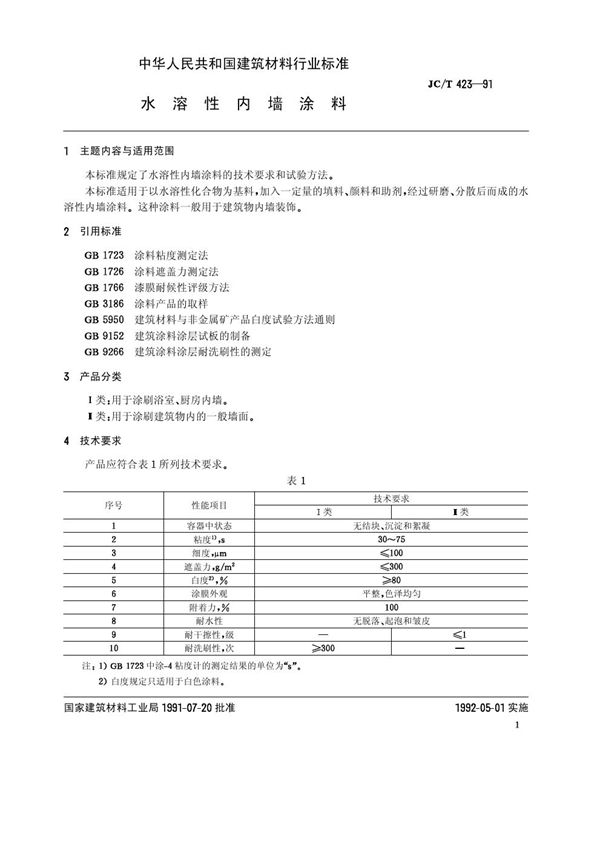
水溶性内墙涂料 (JC/T 423-1991)

下载
免费下载 JC/T 423-1991

水溶性内墙涂料 (JC/T 423-1991)

标准号JC/T 423-1991状态

发布于:1991-07-20

实施于:1992年5月1日

水溶性内墙涂料基本信息

标准号:JC/T 423-1991

标准名称:水溶性内墙涂料

发布部门:国家建筑材料工业局

起草单位:江苏省建筑材料工业研究所和上海市建筑科学研究所

声明:资源收集自网络或用户分享,仅供学习参考,使用请以正式版为准;如侵犯您的权益,请联系我们处理。

不能下载?报告错误