规范网
更新
当前位置:
首页
标准
行业标准
内容详情
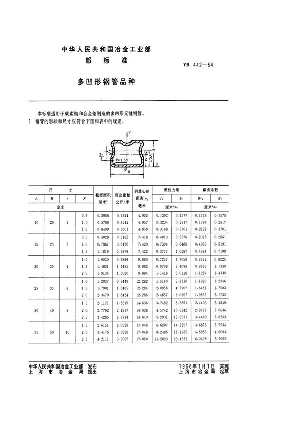
多凹形钢管品种 (YB/T 442-1964)
下载
帮助
举报
收藏
上传文档
下载
预览图
用户名称:
-测试1021
注册时间:
2023-12-14
认证方式:
手机认证
标准号YB/T 442-1964状态
发布于:
实施于:
多凹形钢管品种基本信息
标准号:YB/T 442-1964
标准名称:多凹形钢管品种
收藏
下载
声明:本站为网络服务提供者及网络索引服务平台资源索引自网络/用户分享,如有版权问题,请
联系
站方删除。
不能下载?报告错误
下页:
氧化钼块化学分析方法 正丁醇--三氯甲烷萃取光度法测定磷 (YB/T 5043-1993)
相关推荐
多凹形钢管品种 (YB/T 442-1964)