当前位置:规范网标准行业标准内容详情

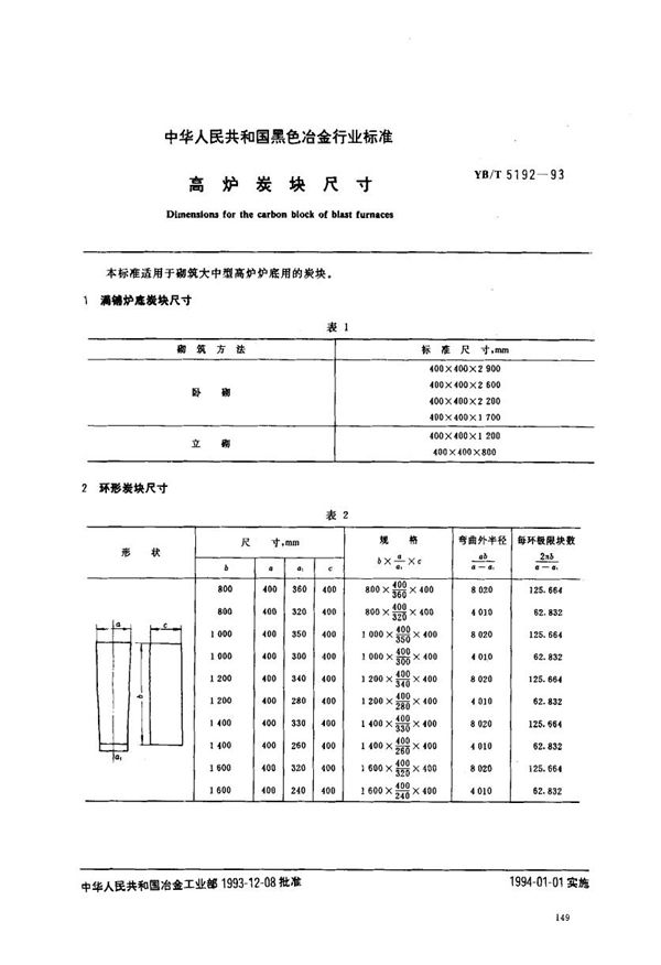
高炉炭块尺寸 (YB/T 5192-1993)

下载
免费下载 YB/T 5192-1993

高炉炭块尺寸 (YB/T 5192-1993)

标准号YB/T 5192-1993状态

发布于:

实施于:

高炉炭块尺寸基本信息

标准号:YB/T 5192-1993

标准名称:高炉炭块尺寸

发布部门:

起草单位:

声明:资源收集自网络或用户分享,仅供学习参考,使用请以正式版为准;如侵犯您的权益,请联系我们处理。

不能下载?报告错误