规范网
更新
当前位置:
规范网
标准
行业标准
内容详情
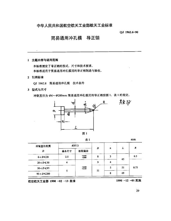
简易通用冲孔模 导正销 (QJ 1962.6-1990)
下载
免费下载 QJ 1962.6-1990
标准号QJ 1962.6-1990状态
发布于:
实施于:
简易通用冲孔模 导正销基本信息
标准号:QJ 1962.6-1990
标准名称:简易通用冲孔模 导正销
加入收藏
下载文件
声明:资源收集自网络或用户分享,仅供学习参考,使用请以正式版为准;如侵犯您的权益,请联系我们处理。
不能下载?报告错误
下页:
简易通用冲孔模 压板 (QJ 1962.7-1990)
相关推荐
车租赁合同简易通用版
简易通用冲孔模 模柄 (QJ 1962.3-1990)
简易通用冲孔模 凸模 (QJ 1962.4-1990)
简易通用冲孔模 凹模 (QJ 1962.5-1990)
简易通用冲孔模 导正销 (QJ 1962.6-1990)