规范网
更新
当前位置:
首页
标准
行业标准
内容详情
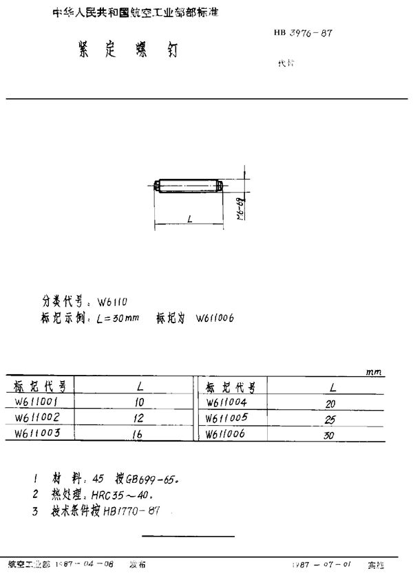
紧定螺钉 (HB 3976-1987)
下载
帮助
举报
收藏
上传文档
下载
预览图
用户名称:
-0348
注册时间:
2024-04-15
认证方式:
手机认证
标准号HB 3976-1987状态
发布于:
实施于:
紧定螺钉基本信息
标准号:HB 3976-1987
标准名称:紧定螺钉
收藏
下载
声明:本站为网络服务提供者及网络索引服务平台资源索引自网络/用户分享,如有版权问题,请
联系
站方删除。
不能下载?报告错误
下页:
小垫圈 (HB 3978-1987)
相关推荐
滚动轴承 附件 外球面球轴承用紧定螺钉 (JB/T 7755-2023)
焊接夹具零件及部件 第34部分:内六角螺纹端头紧定螺钉 (QJ 1145.34-2007)
方头短圆柱锥端紧定螺钉 (GB 86-1988)
方头长圆柱端紧定螺钉 (GB 85-1988)
方头凹端紧定螺钉 (GB 84-1988)