规范网
更新
当前位置:
规范网
标准
行业标准
内容详情
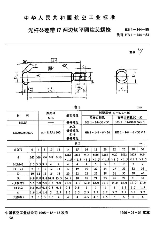
光杆公差带f7两边切平圆柱头螺栓 (HB 1-144-1995)
下载
免费下载 HB 1-144-1995
标准号HB 1-144-1995状态
发布于:
实施于:
光杆公差带f7两边切平圆柱头螺栓基本信息
标准号:HB 1-144-1995
标准名称:光杆公差带f7两边切平圆柱头螺栓
加入收藏
下载文件
声明:资源收集自网络或用户分享,仅供学习参考,使用请以正式版为准;如侵犯您的权益,请联系我们处理。
不能下载?报告错误
下页:
光杆公差带m6两边切平圆柱头螺栓 (HB 1-145-1995)
相关推荐
A286光杆公差带F9MJ螺纹十字槽短螺纹平头螺栓 (HB 8320-2013)
光杆公差带F9MJ螺纹十字槽100°沉头螺栓 (HB 7439-2013)
GH4169螺纹公差带6H光杆公差带H7螺纹带开口销孔长螺纹小六角头螺栓 (HB 8362-2015)
GH4169螺纹公差带6H光杆公差带H12中螺纹小六角头螺栓 (HB 8361-2015)
GH4169镀银螺纹公差带4G6G光杆公差带F9MJ螺纹六角头螺栓 (HB 8352-2015)