规范网
更新
当前位置:
规范网
标准
行业标准
内容详情
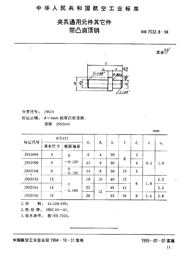
夹具通用元件其它件 带凸肩顶销 (HB 7032.8-1994)
下载
免费下载 HB 7032.8-1994
标准号HB 7032.8-1994状态
发布于:
实施于:
夹具通用元件其它件 带凸肩顶销基本信息
标准号:HB 7032.8-1994
标准名称:夹具通用元件其它件 带凸肩顶销
加入收藏
下载文件
声明:资源收集自网络或用户分享,仅供学习参考,使用请以正式版为准;如侵犯您的权益,请联系我们处理。
不能下载?报告错误
下页:
夹具通用元件其它件 带槽顶销 (HB 7032.9-1994)
相关推荐
弯管夹具通用零件 夹紧螺杆 (QJ 2993-1997)
弯管夹具通用零件 活动铜芯轴 活动铜芯轴筒 (QJ 2991.2-1997)
弯管夹具通用零件 球轴 (QJ 2992-1997)
弯管夹具通用零件 活动铜芯轴 铜球头 (QJ 2991.1-1997)
弯管夹具通用零件 活动铜芯轴 (QJ 2991-1997)