当前位置:规范网标准行业标准内容详情

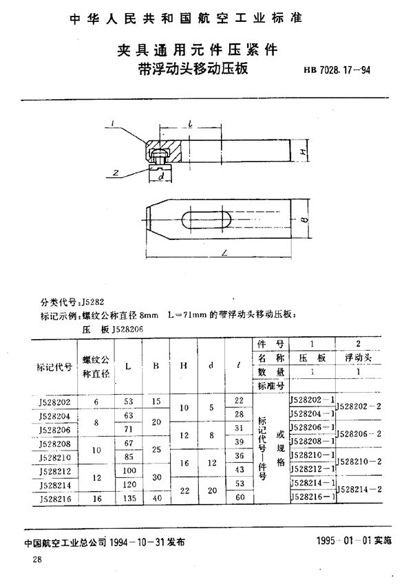
夹具通用元件压紧件 带浮动头移动压板 (HB 7028.17-1994)

下载
免费下载 HB 7028.17-1994

夹具通用元件压紧件 带浮动头移动压板 (HB 7028.17-1994)

标准号HB 7028.17-1994状态

发布于:

实施于:

夹具通用元件压紧件 带浮动头移动压板基本信息

标准号:HB 7028.17-1994

标准名称:夹具通用元件压紧件 带浮动头移动压板

声明:资源收集自网络或用户分享,仅供学习参考,使用请以正式版为准;如侵犯您的权益,请联系我们处理。

不能下载?报告错误