当前位置:规范网标准行业标准内容详情

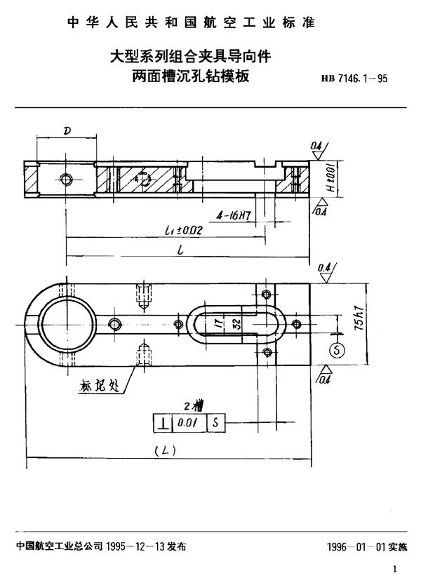
大型系列组合夹具导向件 两面槽沉孔钻模板 (HB 7146.1-1995)

下载
免费下载 HB 7146.1-1995

大型系列组合夹具导向件 两面槽沉孔钻模板 (HB 7146.1-1995)

标准号HB 7146.1-1995状态

发布于:

实施于:

大型系列组合夹具导向件 两面槽沉孔钻模板基本信息

标准号:HB 7146.1-1995

标准名称:大型系列组合夹具导向件 两面槽沉孔钻模板

声明:资源收集自网络或用户分享,仅供学习参考,使用请以正式版为准;如侵犯您的权益,请联系我们处理。

不能下载?报告错误