规范网
更新
当前位置:
首页
标准
行业标准
内容详情
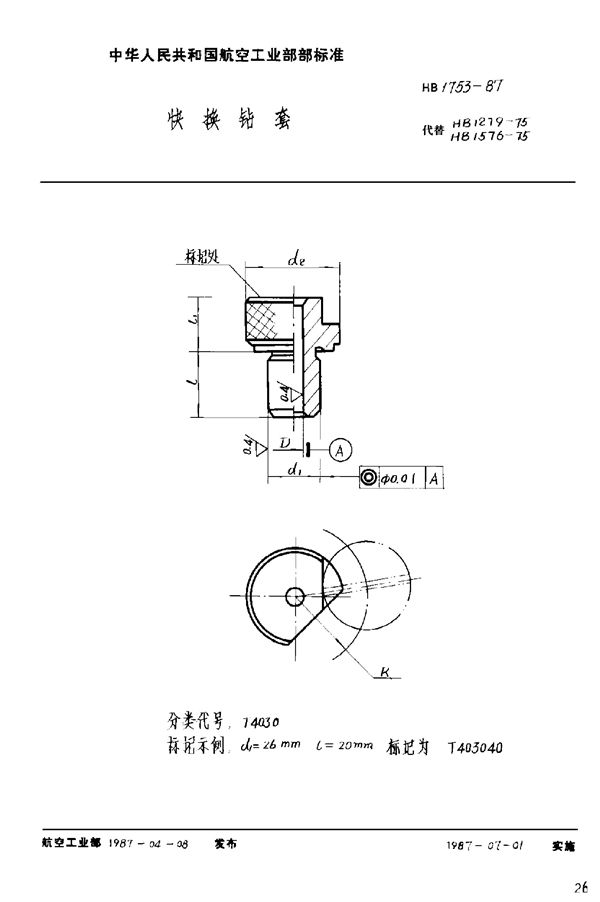
快换钻套 (HB 1753-1987)
下载
帮助
举报
收藏
上传文档
下载
预览图
用户名称:
-德辉3563
注册时间:
2026-01-05
认证方式:
手机认证
标准号HB 1753-1987状态
发布于:
实施于:
快换钻套基本信息
标准号:HB 1753-1987
标准名称:快换钻套
收藏
下载
声明:本站为网络服务提供者及网络索引服务平台资源索引自网络/用户分享,如有版权问题,请
联系
站方删除。
不能下载?报告错误
下页:
硬铬、乳白铬镀层质量检验 (HB 5041-1992)
相关推荐
机床夹具零件及部件 Ⅱ 型加长快换钻套 (QJ 103.2A-1997)
机床夹具零件及部件Ⅰ型加长快换钻套 (QJ 103.1A-1997)
机床夹具零件及部件 快换钻套 (JB/T 8045.3-1995)
8mm槽系组合夹具导向件 快换钻套 (JB/T 5369.2-1991)
快换钻夹头接杆 尺寸 (JB/T 3411.122-1999)