规范网
更新
当前位置:
规范网
标准
行业标准
内容详情
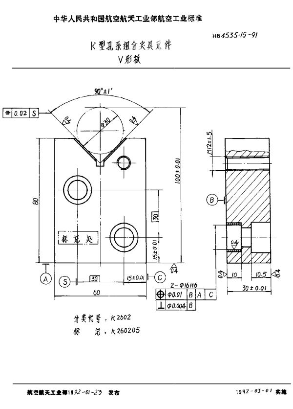
K型孔系组合夹具元件 V形板 (HB 4535.15-1991)
下载
免费下载 HB 4535.15-1991
标准号HB 4535.15-1991状态
发布于:
实施于:
K型孔系组合夹具元件 V形板基本信息
标准号:HB 4535.15-1991
标准名称:K型孔系组合夹具元件 V形板
加入收藏
下载文件
声明:资源收集自网络或用户分享,仅供学习参考,使用请以正式版为准;如侵犯您的权益,请联系我们处理。
不能下载?报告错误
下页:
K型孔系组合夹具元件 V形支承 (HB 4535.16-1991)
相关推荐
K型孔系组合夹具元件 滑动定位器 (HB 4535.32-1991)
K型孔系组合夹具元件 堵塞 (HB 4535.41-1991)
K型孔系组合夹具元件 轴向压紧器 (HB 4535.33-1991)
K型孔系组合夹具元件 定位侧向顶紧器 (HB 4535.34-1991)
K型孔系组合夹具元件 侧向顶紧器 (HB 4535.35-1991)