当前位置:规范网标准行业标准内容详情

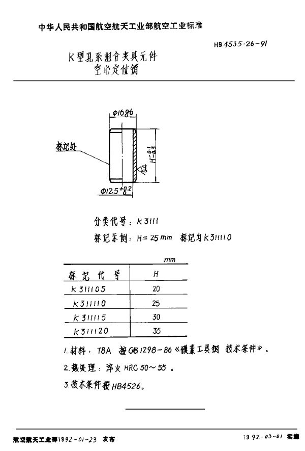
K型孔系组合夹具元件 空心定位销 (HB 4535.26-1991)

下载
免费下载 HB 4535.26-1991

K型孔系组合夹具元件 空心定位销 (HB 4535.26-1991)

标准号HB 4535.26-1991状态

发布于:

实施于:

K型孔系组合夹具元件 空心定位销基本信息

标准号:HB 4535.26-1991

标准名称:K型孔系组合夹具元件 空心定位销

声明:资源收集自网络或用户分享,仅供学习参考,使用请以正式版为准;如侵犯您的权益,请联系我们处理。

不能下载?报告错误