规范网
更新
当前位置:
规范网
标准
行业标准
内容详情
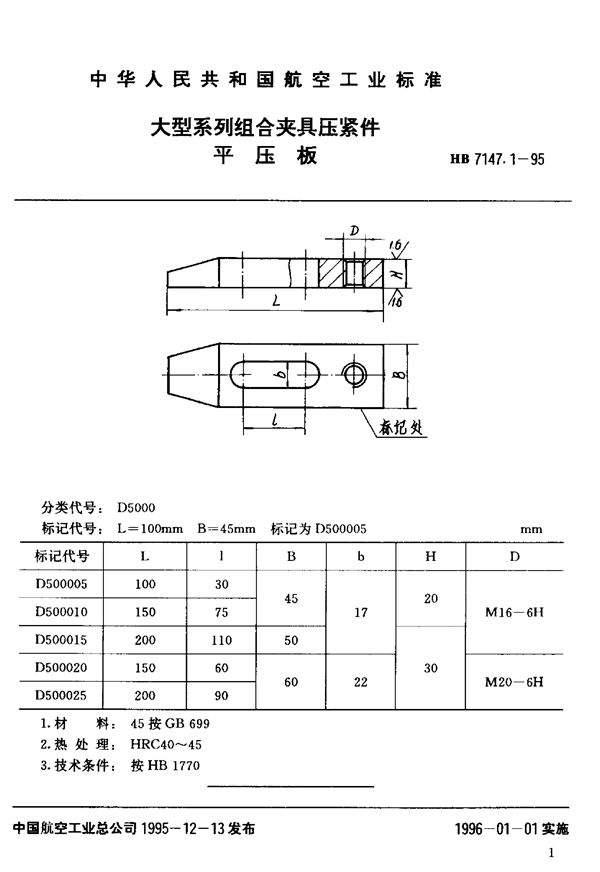
大型系列组合夹具压紧件 平压板 (HB 7147.1-1995)
下载
免费下载 HB 7147.1-1995
标准号HB 7147.1-1995状态
发布于:
实施于:
大型系列组合夹具压紧件 平压板基本信息
标准号:HB 7147.1-1995
标准名称:大型系列组合夹具压紧件 平压板
加入收藏
下载文件
声明:资源收集自网络或用户分享,仅供学习参考,使用请以正式版为准;如侵犯您的权益,请联系我们处理。
不能下载?报告错误
下页:
大型系列组合夹具压紧件 伸长压板 (HB 7147.2-1995)
相关推荐
大型系列组合夹具其它件 连接板 (HB 7150.1-1995)
大型系列组合夹具基础件 垂直圆基础板 (HB 7143.9-1995)
大型系列组合夹具基础件 精密基础方箱 (HB 7143.7-1995)
大型系列组合夹具基础件 顶槽基础角铁 (HB 7143.8-1995)
大型系列组合夹具基础件 精密定位立式两面槽基础板 (HB 7143.6-1995)