规范网
更新
当前位置:
首页
标准
行业标准
内容详情
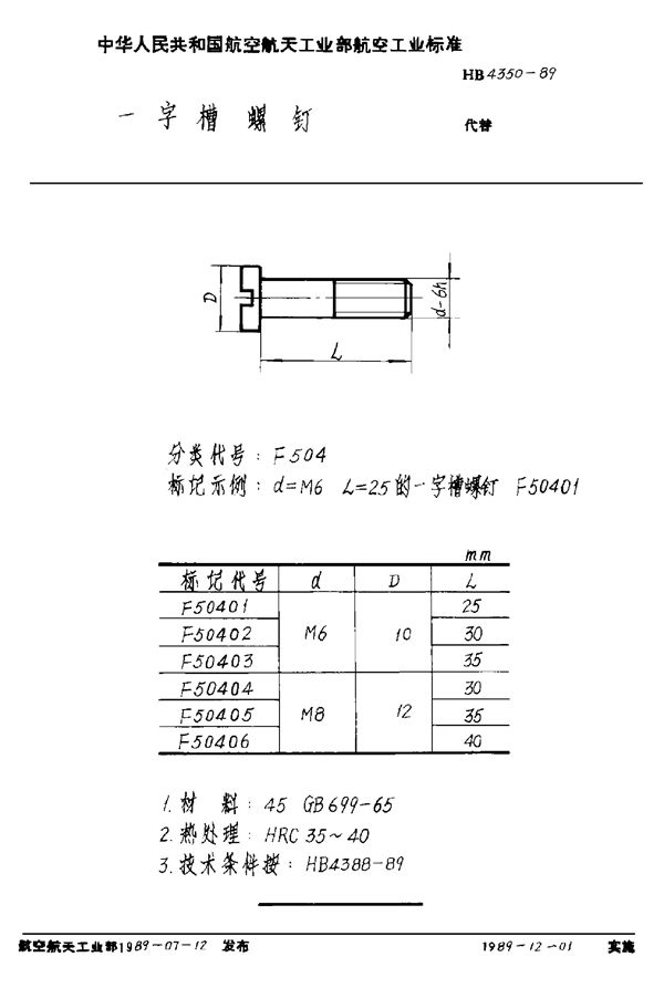
一字槽螺钉 (HB 4350-1989)
下载
帮助
举报
收藏
上传文档
下载
预览图
用户名称:
续
注册时间:
2024-08-29
认证方式:
手机认证
标准号HB 4350-1989状态
发布于:
实施于:
一字槽螺钉基本信息
标准号:HB 4350-1989
标准名称:一字槽螺钉
收藏
下载
声明:本站为网络服务提供者及网络索引服务平台资源索引自网络/用户分享,如有版权问题,请
联系
站方删除。
不能下载?报告错误
下页:
普通型无折断槽钢丝螺套型式与尺寸 (HB 5514-1996)
相关推荐
一字槽螺钉旋具 (GB 10639-1989)
一字槽螺钉旋具螺杆 (GB 10637-1989)
矫形工具 拧动接头 第2部分:一字槽、十字槽和十字槽头螺钉用螺丝刀 (YY/T 0957.2-2014)
螺钉旋具 一字槽螺钉旋具旋杆 (QB/T 2564.2-2002)
螺钉旋具 一字槽螺钉旋具 (QB/T 2564.4-2002)