当前位置:规范网标准行业标准内容详情

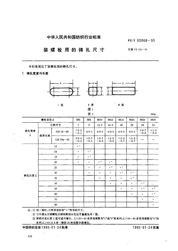
装螺栓用的铸孔尺寸 (FZ/T 90068-1995)

下载
免费下载 FZ/T 90068-1995

装螺栓用的铸孔尺寸 (FZ/T 90068-1995)

标准号FZ/T 90068-1995状态

发布于:

实施于:1995-1-24

装螺栓用的铸孔尺寸基本信息

标准号:FZ/T 90068-1995

标准名称:装螺栓用的铸孔尺寸

发布部门:

起草单位:

声明:资源收集自网络或用户分享,仅供学习参考,使用请以正式版为准;如侵犯您的权益,请联系我们处理。

不能下载?报告错误