当前位置:规范网标准行业标准内容详情

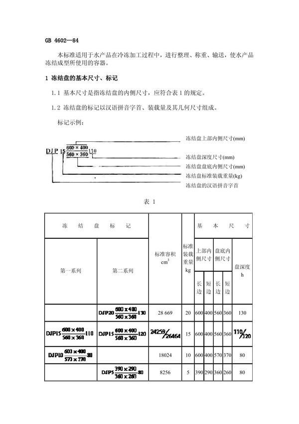
水产品冻结盘 (SC/T 9003-1984)

下载
免费下载 SC/T 9003-1984

水产品冻结盘 (SC/T 9003-1984)

标准号SC/T 9003-1984状态

发布于:

实施于:

水产品冻结盘基本信息

标准号:SC/T 9003-1984

标准名称:水产品冻结盘

英文名称:Fishing frozen plate

发布部门:中华人民共和国农牧渔业部

起草单位:

声明:资源收集自网络或用户分享,仅供学习参考,使用请以正式版为准;如侵犯您的权益,请联系我们处理。

不能下载?报告错误