当前位置:规范网标准行业标准内容详情

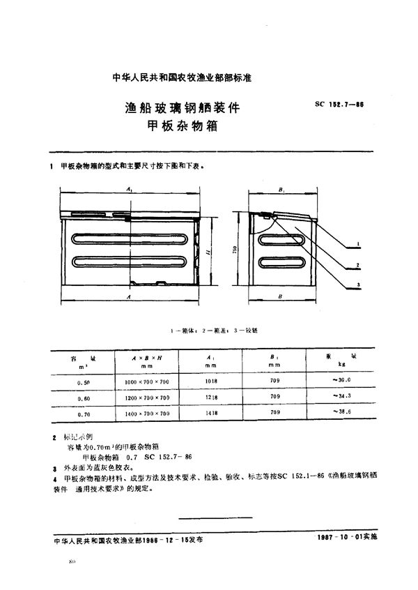
渔船玻璃钢舾装件 甲板杂物箱 (SC 152.7-1986)

下载
免费下载 SC 152.7-1986

渔船玻璃钢舾装件 甲板杂物箱 (SC 152.7-1986)

标准号SC 152.7-1986状态

发布于:1986-12-16

实施于:1987-10-01

渔船玻璃钢舾装件 甲板杂物箱基本信息

标准号:SC 152.7-1986

标准名称:渔船玻璃钢舾装件 甲板杂物箱

发布部门:中华人民共和国农牧渔业部

起草单位:中国水产科学研究院

声明:资源收集自网络或用户分享,仅供学习参考,使用请以正式版为准;如侵犯您的权益,请联系我们处理。

不能下载?报告错误