
标准号QB/T 1538-1992状态
发布时间:none
实施时间:none
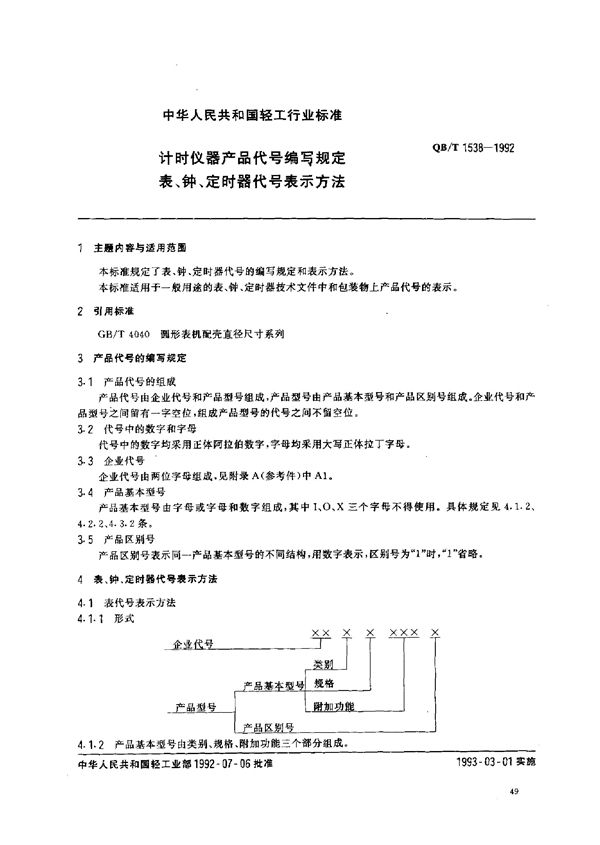
计时仪器产品代号编写规定 表、钟、定时器代号表示方法基本信息
标准号:QB/T 1538-1992
标准名称:计时仪器产品代号编写规定 表、钟、定时器代号表示方法
下载格式:PDF
标准大小:199.81 KB
计时仪器产品代号编写规定 表、钟、定时器代号表示方法 (QB/T 1538-1992)

发布时间:none
实施时间:none
标准号:QB/T 1538-1992
标准名称:计时仪器产品代号编写规定 表、钟、定时器代号表示方法
下载格式:PDF
标准大小:199.81 KB
计时仪器产品代号编写规定 表、钟、定时器代号表示方法 (QB/T 1538-1992)
声明:资源收集自网络或用户分享,仅供学习参考,使用请以正式版为准;如侵犯您的权益,请联系我们处理。
不能下载?报告错误