当前位置:规范网标准行业标准内容详情

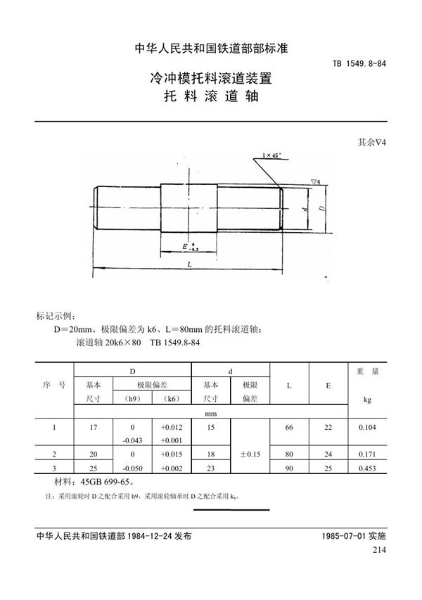
冷冲模托料滚道装置 托料滚道轴 (TB 1549.8-1984)

下载
免费下载 TB 1549.8-1984

冷冲模托料滚道装置 托料滚道轴 (TB 1549.8-1984)

标准号TB 1549.8-1984状态

发布时间:none

实施时间:none

冷冲模托料滚道装置 托料滚道轴基本信息

标准号:TB 1549.8-1984

标准名称:冷冲模托料滚道装置 托料滚道轴

下载格式:PDF

标准大小:68.2 KB

冷冲模托料滚道装置 托料滚道轴 (TB 1549.8-1984)

声明:资源收集自网络或用户分享,仅供学习参考,使用请以正式版为准;如侵犯您的权益,请联系我们处理。

不能下载?报告错误