当前位置:规范网标准行业标准内容详情

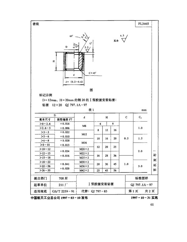
机床夹具零件及部件 Ⅰ型胶接安装钻套 (QJ 797.1A-1997)

下载
免费下载 QJ 797.1A-1997

机床夹具零件及部件 Ⅰ型胶接安装钻套 (QJ 797.1A-1997)

标准号QJ 797.1A-1997状态

发布时间:none

实施时间:none

机床夹具零件及部件 Ⅰ型胶接安装钻套基本信息

标准号:QJ 797.1A-1997

标准名称:机床夹具零件及部件 Ⅰ型胶接安装钻套

下载格式:PDF

标准大小:335.48 KB

机床夹具零件及部件 Ⅰ型胶接安装钻套 (QJ 797.1A-1997)

声明:资源收集自网络或用户分享,仅供学习参考,使用请以正式版为准;如侵犯您的权益,请联系我们处理。

不能下载?报告错误