当前位置:规范网标准行业标准内容详情

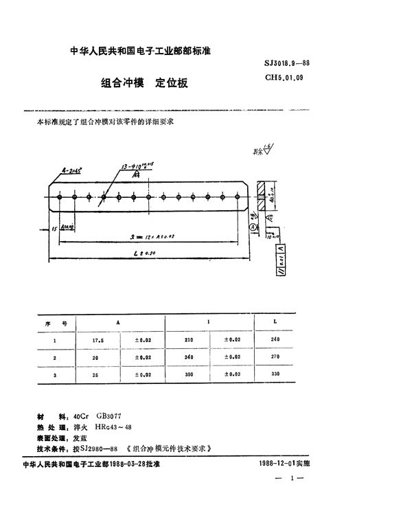
组合冲模 定位板 (SJ 3018.9-1988)

下载
免费下载 SJ 3018.9-1988

组合冲模 定位板 (SJ 3018.9-1988)

标准号SJ 3018.9-1988状态

发布时间:none

实施时间:none

组合冲模 定位板基本信息

标准号:SJ 3018.9-1988

标准名称:组合冲模 定位板

下载格式:PDF

标准大小:34.89 KB

组合冲模 定位板 (SJ 3018.9-1988)

声明:资源收集自网络或用户分享,仅供学习参考,使用请以正式版为准;如侵犯您的权益,请联系我们处理。

不能下载?报告错误